شیر دوپلماتیک DSP10
شیر سلونوئیدی دوپلماتیک
سری DSP10 دوپلماتیک ایتالیا
شیر برقی سایز 1.1/4 اینچ
تک بوبین و دو بوبین
ماکزیمم فشار کاری : 350 بار

شیر دوپلماتیک DSP10
شیر برقی کنترل جهت هیدرولیک دوپلماتیک DUPLOMATIC سری DSP10 ( سلونوئید ولو دوپلماتیک ) سایز 1.1/4
برای انتخاب شیر برقی هیدرولیک یا همان سلونوئید ولو هیدرولیک به منظور کنترل جهت (مسیر) سیال هیدرولیکی به نکات زیر توجه کنید و و در نهایت اقدام به سفارش و خرید شیر برقی کنترل جهت هیدرولیک نمایید :
- تعیین حجم سیال عبوری از شیر هیدرولیک و انتخاب سایز مناسب شیر هیدرولیک
- تعیین فشار کاری شیر هیدرلیک ( فشار دایم و فشار لحظهای شیر هیدرولیک)
- مشخص کردن ولتاژ بوبین و ارسال فرمان به شیر برقی هیدرولیک
- تعیین عملکرد و فرمان و شیر برقی هیدرولیک با توجه به منطق مداری سیستم هیدرولیک
سایز شیر دوپلماتیک DSP10
شیر برقی هیدرولیک دوپلماتیک DUPLOMATIC با کد DSP 10سایز 1.1/4 میباشد که به طبق کاتالوگ توانایی عبور 1100 لیتر روغن هیدرولیک در دقیقه و تحمل فشار 350 بار را دارا میباشد.
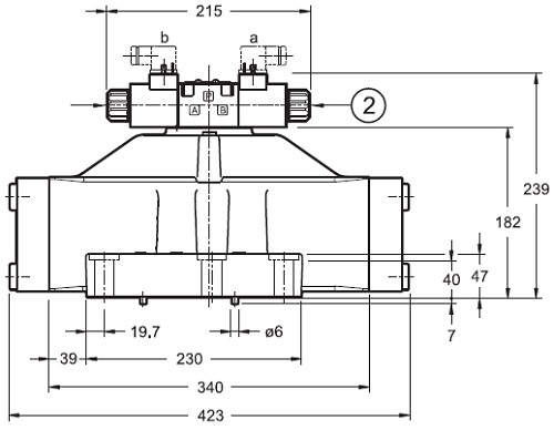
در شکل زیر ظاهری و ابعاد و اندازه شیر دوپلماتیک DUPLOMATIC مدل DSP10 را ببینید.

فشار کاری شیر دوپلماتیک DSP10
طبق ادعای کمپانی DUPLOMATIC دوپلماتیک ماکزیمم فشار قابل تحمل این شیر هیدرولیک 350 BAR بار میباشد.

سلونوئید شیر دوپلماتیک DSP10 (ولتاژ فرمان برق)
در حال حاظر برای “شیر دوپلماتیک DSP10 ” ولتاژهای 24 ولت و 220 ولت برای مصارف در محیط های صنعتی در کشور مورد استفاده قرار میگیرد . برای انتخاب سوکت شیر برقی باید توجه داشت حالت معمول استفاده ار پورت DIN 43650 میباشد .
عملکرد شیر دوپلماتیک DSP10
در مدارهای مختلف هیدرولیکی طبق نظر طراح یکی از فرمانهای زیر برای ولو هیدرولیکی انتخاب میشود که این نقشهها عملکرد اسپول شیر هیدرولیک را در حالت :
نرمال (بدون فرمان) و همچنین در حالت فعال (ارسال فرمان) نشان میدهد که با توجه به نیاز و طراحی سیستم هیدرولیک شما میتواند دو وضعیت و یا سه وضعیت را سیستم هیدرولیک شما بوجود بیاورد . در زیر میتوانید اغلب فرمانهای سلونوئید ولو هیدرولیک را ببینید:
کاربرد شیر دوپلماتیک DSP10
سلونوئید ولو DSP-10دوپلماتیک DUPLOMATIC ایتالیا در اغلب دستگاهها و ماشینآلات صنعتی و راهسازی و یونیتهای پاورپک هیدرولیک، که نیاز به دقت در فشارهای بالا دارند مورد استفاده قرار میگیرد
در صورت نیاز و خرید محصولات هیدرولیک با فروشگاه هیدرو هیکاد تماس بگیرید